반응형
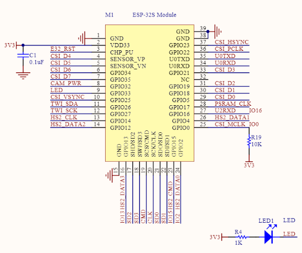
아래 회로도를 통해서, 내장 Flash Light는 4번 pin(HS2 DATA1)임을 알았다.
그러면 이제 내장 플래시를 동작시키자.


소스코드는 HelloServer를 사용하자.

const int led = 4; // 로 변경을 하자. 내장 LED pin번호.
#include <WiFi.h>
#include <WiFiClient.h>
#include <WebServer.h>
#include <ESPmDNS.h>
const char* ssid = "iptime2.4G-****";
const char* password = "====";
WebServer server(80);
const int led = 4; //ESP32-CAM의 on board Flash Light 4번 Pin
void handleRoot() {
digitalWrite(led, 1);
server.send(200, "text/plain", "hello from esp8266!");
delay(2000);
digitalWrite(led, 0);
}
void handleNotFound() {
digitalWrite(led, 1);
String message = "File Not Found\n\n";
message += "URI: ";
message += server.uri();
message += "\nMethod: ";
message += (server.method() == HTTP_GET) ? "GET" : "POST";
message += "\nArguments: ";
message += server.args();
message += "\n";
for (uint8_t i = 0; i < server.args(); i++) {
message += " " + server.argName(i) + ": " + server.arg(i) + "\n";
}
server.send(404, "text/plain", message);
digitalWrite(led, 0);
}
void setup(void) {
pinMode(led, OUTPUT);
digitalWrite(led, 0);
Serial.begin(115200);
WiFi.mode(WIFI_STA);
WiFi.begin(ssid, password);
Serial.println("");
// Wait for connection
while (WiFi.status() != WL_CONNECTED) {
delay(500);
Serial.print(".");
}
Serial.println("");
Serial.print("Connected to ");
Serial.println(ssid);
Serial.print("IP address: ");
Serial.println(WiFi.localIP());
if (MDNS.begin("esp32")) {
Serial.println("MDNS responder started");
}
server.on("/", handleRoot);
server.on("/inline", []() {
server.send(200, "text/plain", "this works as well");
});
server.onNotFound(handleNotFound);
server.begin();
Serial.println("HTTP server started");
}
void loop(void) {
server.handleClient();
}
아래와 같이 홈페이지를 접속하면, 소스코드상 flash가 2초간 켜지게 하였다.

정말 놀라운 일이다.
이 작은 MCU를 사용해서 wifi로 연결하고, LED까지 원격으로 control이 가능하다니... 재미있구나.
반응형
'Micro Control Unit > ESP32-CAM' 카테고리의 다른 글
| ESP32 cam - Web RC car 만들기 (0) | 2022.05.07 |
|---|---|
| ESP32 CAM - download 및 web cam 서비스 도전하기 (0) | 2022.05.05 |
| ESP32-CAM - USB to TTL(CH340G) 모듈 사용법 (0) | 2022.05.05 |
댓글